Applicable to the evaporation of material has properties of low fluidity, fouling(ketchup, peach jam, apricot jam, carrot jam, apple jam, kiwi fruit jam etc).
This enforced circulating downstream vacuum concentration equipment are composed of heater, evaporation chamber, condenser, vacuum pump, enforced circulating pump and control table.Applicable to the evaporation of material has properties of low fluidity, fouling(ketchup, peach jam, apricot jam, carrot jam, apple jam, kiwi fruit jam etc).
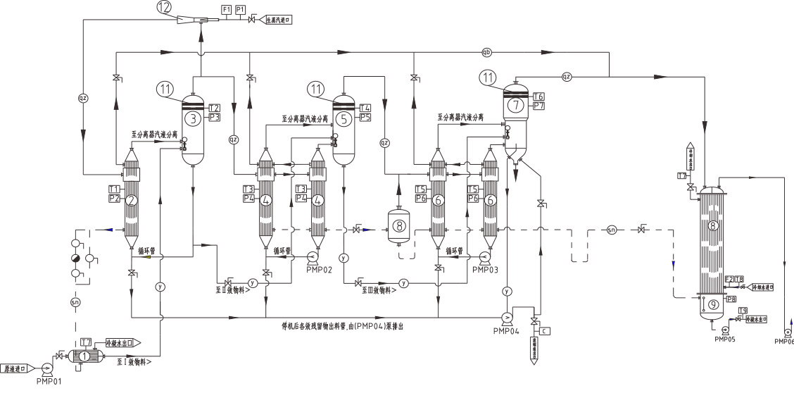
Vapor separation chamber,heater in every stage, and separator,condenser(mixing type or surface type), enforced circulation pump in every stage,material pump,vacuum pump, condense water pump, work table, controI table of electrical system, equipment and instruments,pipeline and valves.
1.Has wide apply in material processing Mainly applicable for the material with character of easy fouling, crystallized during evaporation, viscosity improved upon density increased, and material has insoluble solids.
2.Feed materiaI heated th rough enforced circulating during evaporation flow fastintube, even heated with high heat conductive, can avoid wall dye.
3.Feed materiaI flow through enforced circulation pump and heated by heater. Go into evaporation separator by tangential from top Has good vapor-liquid separator effect.
4.Material vacuum evaporated in low temperature with continuous inlet and outlet of material. The evaporation time is very shod which especially applicable for the heat sensitive products.
5.Equipment has tight construction, occupy small space. Fluent layout, easy operates and stable operation.
6.Can equip with automatic system, achieve automatic control of inter and outlet material, discharge viscosity and cleaning. Can equip with protection facilities incase of suddenly blackout.break down which wilI cause trouble with heat sensitive products. Other safeties, alarm facilities can achieve automatic operate and control.

Apply in chemical engineering, food, pharmaceutical, environment protection, waste water recycle field for evaporation and concentration of material with characteristics of fouling, crystal, heat sensitive(low temperature), high viscosity and which contain insoluble solids.
Name | Three effect enforced circulation evaporator | ||
Model | BNQX 03-5000 | BNQX 03-8000 | BNQX 03-12000 |
Evaporation Amount | 5000kg/h | 8000kg/h | 12000kg/h |
Steam Pressure | 0.3~0.4Mpa | 0.3~0.4Mpa | 0.3~0.4Mpa |
Steam Consumption | 1900kg/h | 3040kg/h | 4560kg/h |
Cool Water Consumption | 52t/h | 83t/h | 125t/h |
Overall Dimension | 6.7x4.4X8.8m | 7.6x4.8x11.5m | 8.5x5.4x13.5m |

